

0755-21631136
在HIWIN上銀微型直線導軌的眾多型號規格中,9號的大小尺寸是怎樣的?我們今天就來說說。所謂9號,就是指導軌的寬度是9mm,這個規格的導軌,屬于微型導軌MGN系列范疇,具體也有以下幾種型號。
1,上銀導軌MGN9C型以及MGN9H型
根據上銀導軌型號的命名規則,MGN9C是標準型滑塊,MGN9H是加長型滑塊。它們兩者之間的區別,只在于滑塊的長度,具體尺寸,我們可以參考下圖:
|
型號 |
組件尺寸 (mm) |
滑塊尺寸(mm) |
導軌尺寸(mm) |
導軌的 固定螺 栓尺寸 |
基本
動額 定負荷 |
基本 靜額 定負荷 |
容許靜力矩 |
重量 |
||||||||||||||||||||
| Mr | Mp | My | 滑塊 | 導軌 | ||||||||||||||||||||||||
| H | H1 | N | W | B | B1 | C | L1 | L | G | Gn | M*L | H2 | Wr | Hr | D | h | d | p | E | mm | C(kN) | Co(kN) | N-m |
N-m |
N-m |
kg | kg/m | |
| MGN9C |
10 |
2 |
5.5 |
20 |
15 |
2.5 |
10 | 18.9 | 28.9 |
- |
φ1.4 |
M3*3 |
1.8 |
9 |
6.5 |
6 |
3.5 | 3.5 | 20 | 7.5 | M3*8 | 1.86 | 2.55 | 11.76 | 7.35 | 7.35 | 0.016 | 0.38 |
|
MGN9H |
16 | 29.9 | 39.9 | 3.5 | 3.5 | 20 | 7.5 | 3.5 | 3.5 | 7.5 | 19.60 | 18.62 | 18.62 | 0.026 | 0.38 |
|
||||||||||||
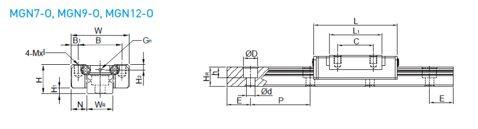
2,上銀導軌MGN9C-O以及MGN9H-O
具體的型號參數,我們可以參照下圖。
|
型號 |
組件尺寸 (mm) |
滑塊尺寸(mm) |
導軌尺寸(mm) |
導軌的 固定螺 栓尺寸 |
基本
動額 定負荷 |
基本 靜額 定負荷 |
容許靜力矩 |
重量 |
||||||||||||||||||||
| Mr | Mp | My | 滑塊 | 導軌 | ||||||||||||||||||||||||
| H | H1 | N | W | B | B1 | C | L1 | L | G | Gn | M*L | H2 | Wr | Hr | D | h | d | p | E | mm | C(kN) | Co(kN) | N-m |
N-m |
N-m |
kg | kg/m | |
| MGN9C-O |
10 |
2.2 |
5.5 |
20 |
15 |
2.5 |
10 | 19.4 | 30 |
- |
φ1.4 |
M3*3 |
1.8 |
9 |
6.5 |
6 |
3.5 | 3.5 | 20 | 7.5 | M3*8 | 2.01 | 2.84 | 13.05 | 8.97 | 8.97 | 0.012 | 0.38 |
|
MGN9H-O |
16 | 29.3 | 39.9 | 3.5 | 3.5 | 20 | 7.5 | M3*8 | 2.5 | 3.93 | 19.71 | 21.47 | 21.47 | 0.02 | 0.38 |
|
||||||||||||
咨詢熱線
0755-21631136