
0755-21631136
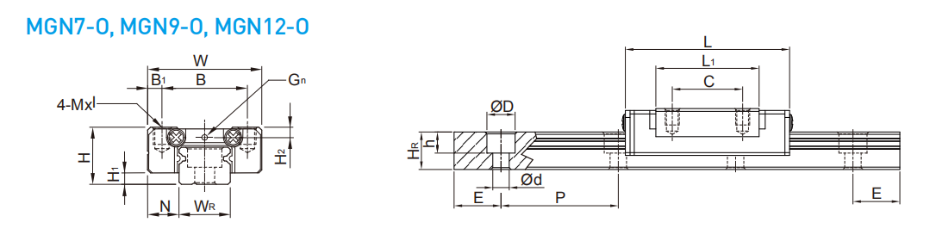
HIWIN上銀12mm的微型直線導軌,型號有MGN12以及MGN12-O,屬于微小型滾珠線性滑軌.它的體積小,重量輕,多應用于檢測儀器,自動鎖螺絲機,醫療器械,印表機,電子儀器設備,半導體設備等。它的尺寸規格,我們參閱下表。
1,上銀微型直線導軌型號MGN12詳情介紹
|
型號 |
組件尺寸 (mm) |
滑塊尺寸(mm) |
導軌尺寸(mm) |
導軌的 固定螺 栓尺寸 |
基本
動額 定負荷 |
基本 靜額 定負荷 |
容許靜力矩 |
重量 |
||||||||||||||||||||
| Mr | Mp | My | 滑塊 | 導軌 | ||||||||||||||||||||||||
| H | H1 | N | W | B | B1 | C | L1 | L | G | Gn | M*L | H2 | Wr | Hr | D | h | d | p | E | mm | C(kN) | Co(kN) | N-m |
N-m |
N-m |
kg | kg/m | |
| MGN12C | 13 |
3 |
7.5 |
27 |
20 |
3.5 | 15 | 28.9 |
- |
φ1.4 |
M3*3 |
1.8 |
9 |
6.5 |
6 |
3.5 | 3.5 | 20 | 10 | M3*8 | 2.84 | 3.92 | 25.48 | 13.72 | 13.72 | 0.034 | 0.65 | |
|
MGN12H |
20 | 32.4 | 39.9 | 3.5 | 3.5 | 20 | 10 | M3*8 | 3.72 | 5.88 | 38.22 | 36.26 | 36.26 | 0.054 | 0.65 | |||||||||||||
1,上銀微型直線導軌型號MGN12-O詳情介紹
|
型號 |
組件尺寸 (mm) |
滑塊尺寸(mm) |
導軌尺寸(mm) |
導軌的 固定螺 栓尺寸 |
基本
動額 定負荷 |
基本 靜額 定負荷 |
容許靜力矩 |
重量 |
||||||||||||||||||||
| Mr | Mp | My | 滑塊 | 導軌 | ||||||||||||||||||||||||
| H | H1 | N | W | B | B1 | C | L1 | L | G | Gn | M*L | H2 | Wr | Hr | D | h | d | p | E | mm | C(kN) | Co(kN) | N-m |
N-m |
N-m |
kg | kg/m | |
| MGN12C-O | 13 |
3 |
7.5 |
27 |
20 |
3.5 | 15 | 22 | 35 |
- |
φ2 |
M3*3.5 |
2.5 |
12 |
8 |
6 |
4.5 | 3.5 | 25 | 10 | M3*8 | 2.84 | 3.92 | 25.48 | 13.72 | 13.72 | 0.025 | 0.65 |
|
MGN12H-O |
20 | 34.6 | 47.6 | 4.5 | 3.5 | 25 | 10 | M3*8 | 4.27 | 5.9 | 38.4 | 37.49 | 37.49 | 0.047 | 0.65 | |||||||||||||
咨詢熱線
0755-21631136