
0755-21631136
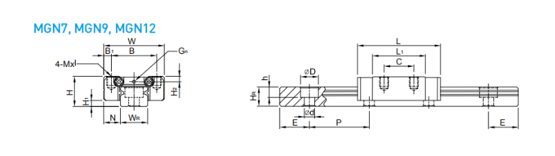
直線導軌都是靠螺絲固定在床臺或者支撐架上,不同品牌的同一規格導軌,它的安裝孔距都是同一個標準,比如,上銀微型直線導軌MGN9C安裝孔距是多少?我們手頭上有選型資料的話,很快就可以查詢到。如果沒有呢,看下圖。
從以上表格以及圖檔,我們可以看到,上銀微型直線導軌MGN9C安裝孔距P是20。我們在設計的時候,就需要按照此標準來設計我們的結構件,以免因為螺絲孔位置不對,影響安裝。
如今上銀導軌運用的十分普遍,如同之前滾動軸承里那句俗話說得好的:要是這一地球轉動,就會采用滾動軸承。如今還可以運用來到上銀導軌上邊了。我們知道了孔距,另外一個就是要確定導軌的端距。那麼,上銀微型導軌的端距到底怎么計算呢,大家來舉一個事例:一般來說,客戶沒有特別要求,大家就會依照端距均分來。即:最外緣孔的中心距到滑軌最端部的間距。這兒要留意的是上銀導軌孔的中心距。不必量到別的位置。例如15的上銀導軌,孔距一般是60.倘若客戶要的上銀導軌長短是510,那麼端距均分,那么就有二種留法。一種是15--15,此外一種是10--20.這就需要依照客戶的規定來。自然上銀導軌的孔距的優化算法也要依據不一樣長短的規格來明確的,哪個就需要那時候和客戶溝通交流的難題了。要是大家把握這一方式,大家就會算出一切上銀導軌的孔距的
回到前面所說的,上銀微型直線導軌MGN9C安裝孔距,與端距的確定有關系。如您想了解更多有關上銀導軌孔距的詳情,歡迎咨詢雅威達。11年專注上銀微型導軌的代理商,肯定會給您提供更多資訊,更多解答。
咨詢熱線
0755-21631136